自動車関連

熱マネジメントシステムの熱ロス軽減へ

xEV化に伴い、限られた熱を有効活用する熱マネジメントの重要性が高まっています。
優れた断熱性能を持つポリオレフィン発泡体 TORAYPEF により、熱課題の解決に貢献します。

適用部位のご提案

適用部位

東レグループの連携により、最適な発泡体選定から最適形態まで、ワンストップサービスでご提供させていただきます。
形態は、成形品、打抜品、カット品、テープ、他素材複合品等、ご希望に合わせたご提案をさせていただきます。

採用事例

燃料タンク用断熱材

目的:温度上昇による燃料気化抑制、タンクの内圧上昇防止

※イメージ図

燃料タンク用断熱材

加工内容

■成形加工

成形加工

成形型を用いた真空成形により、燃料タンクにフィットする形状へ加工します。成形品は、燃料タンクに上から直接被せて取り付けます。

■打抜加工

打抜加工

3D→2Dへ展開する独自の設計技術によりプロテクターへフィットする2D形状を設計、打抜加工を行います。打抜品は、スリット部を折り曲げてプロテクターに組付けます。打抜品は、成形品よりも積載効率が向上するため、コストダウンに貢献します。

電池パック用断熱材

目的:排熱等からECU等電子機器の熱害防止

※イメージ図

電池パック用断熱材

加工内容

■粘着加工

TORAYPEF の片面に、粘着剤を塗布した製品です。
離型紙を剥がし、バッテリーカバーに貼り付けます。

粘着加工

■スリット加工

離型紙にスリット加工を施すことで部分的に剥がし、貼付時の作業性向上に
貢献します。

スリット加工

■熱融着加工

周辺部材とのスペースを考慮しつつ、部分的な厚み増しにより、断熱性能UPを実現します。ご要望に応じて厚さの調節が可能です。

熱融着加工

TORAYPEF の特長

TORAYPE
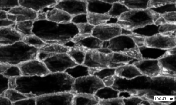
独立気泡

水や空気を通しにくい構造

TORAYPE独立気泡


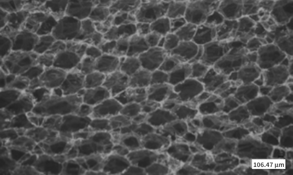
連続気泡

水や空気を通しやすい構造

連続気泡

TORAYPEF は、東レ(株)が独自開発した電子線架橋で100%独立気泡のポリオレフィン発泡体です。
水や空気を通しにくい独立気泡であり、外部環境、長期使用による断熱性能差が小さいのが特長です。

東レオンリーワン
軽量発泡体

東レオンリーワ軽量発泡体


汎用グレード

汎用グレード

東レオンリーワンの軽量率発泡体により、汎用グレードより40%の軽量化を実現します。